RF-Power-Meter mit PEP und RMS Anzeige, Version 4.00

(Für größere Darstellung auf das Bild klicken.)

Ich habe den Pegel meines DoppelVFOs überprüft. Einstellung am DoppelVFO 10,000000 MHz 0,0dBm. Das mW-Meter habe ich vorher mit einer Referenzquelle 1mW 50 MHz (HP437B) auf 0,00dBm kalibriert. Die 0,00dBm Kalibrierung sieht man in Zeile 4 an der [0]. Das Zeichen rechts daneben zeigt die USB-Verbindung zum PC-Programm mWattLin 4.0 an. Die Pegeleinstellung meines DoppelVFOs geht recht genau. Die Abweichung beträgt nur 0,1dB. Ohne [Kalibrierung auf 0,00dBm] wäre so eine Messung nicht möglich, da Messungen durch Temperatureinflüsse immer etwas ungenau wird und wenige zehntel dB schwankt.

Das RF-Power-Meter habe ich in ein Leergehäuse des HAMEG8000-Messgeräte-Systemes eingebaut. Somit ist ein auswechselbarer Einschub einstanden. Der Lautsprecher ist für die Quittungstöne und die pegelabhängige Tonausgabe für Abgleicharbeiten.

Ich habe mich noch einmal mit dem Projekt mWatt-Meter befasst, die HW verbessert und die SW in vielen Teilen neu geschrieben. Ich habe auch die Messköpfe neu entworfen und die Schaltung vereinfacht. Die Erkennung, welcher Messkopf gesteckt wurde, erfolgt jetzt per AD-Wandler über einen Spannungsteiler. Das Verbindungskabel zum Messkopf ist dadurch nur noch 3-polig plus Schirm und die Steckverbindung zum mW-Meter-Grundgerät erfolgt mit einem 4-poligen 3,5mm Klinkenstecker.

Für Messungen von etwa 50Hz bis 2,7GHz sind nur 3 verschieden Messköpfe nötig. Für ganz genaue Vergleichsmessungen im 0dBm-Bereich ist der vierte Messkopf mit dem AD8361 vorgesehen.
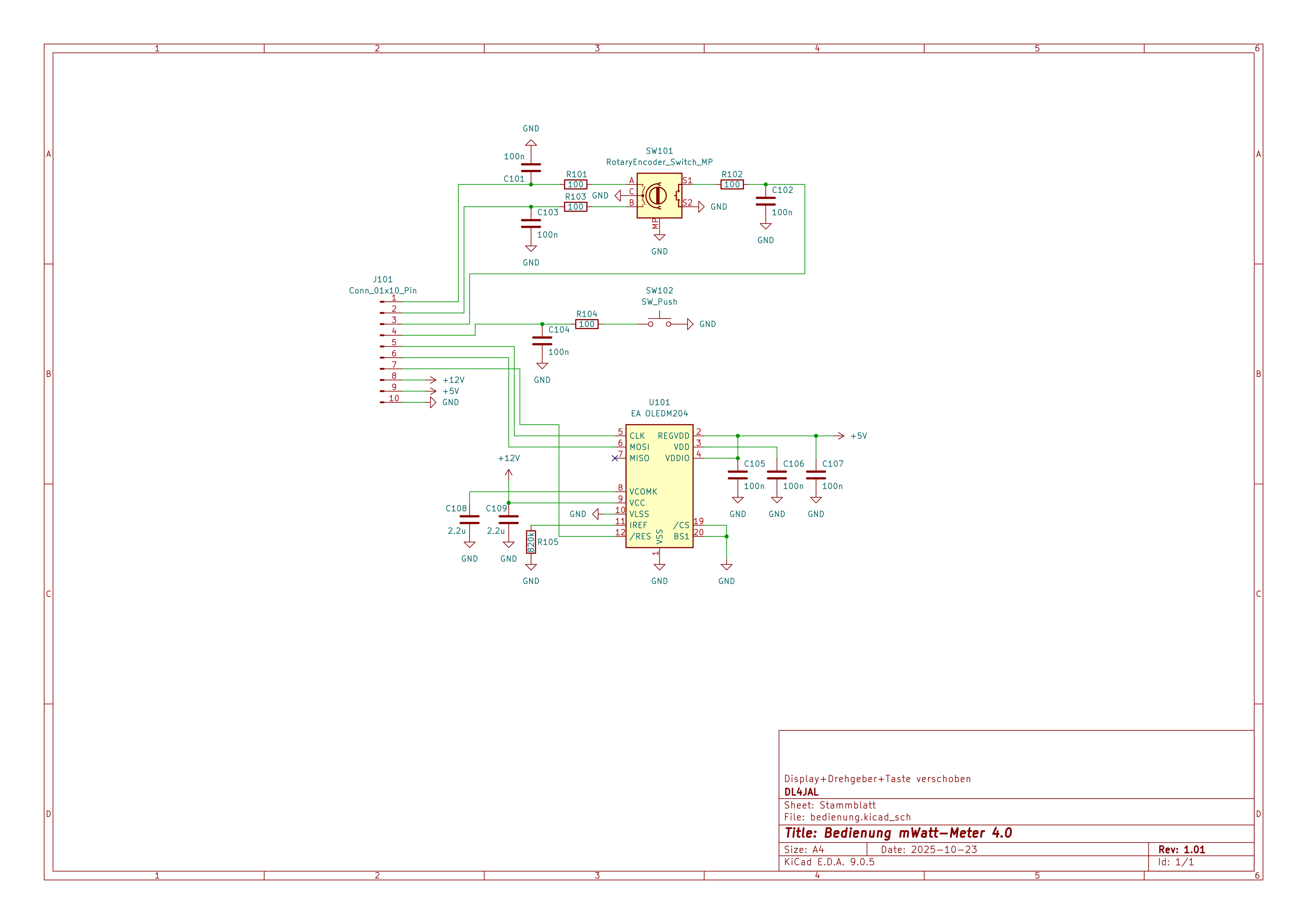
Die LCD-Anzeige habe ich auch modernisiert und ein OLED-Display mit 20 Zeichen x 4 Zeilen eingebaut. Die Bedienung des mWatt-Meters erfolgt wieder einfach mit einem Drehgeber mit Tastenfunktion und einer zusätzlichen Einzeltaste.

    Die realisierten Messkopfplatinen

  • Messkopf#0 AD8307 HF-Messung Frequenzbereich 100 kHz bis etwa 500 MHz. Bei Eingabe der Messfrequenz erfolgt eine Korrektur des Frequenzganges des AD8307.
  • Messkopf#1 AD8307 NF-Audio Messungen 10 Hz bis 200 kHz. Eingangs-Impedanz hochohmig, etwa 1kOhm.
  • Messkopf#2 AD8362 HF-Messung 2 MHz bis 2,7 GHz. Dynamik etwa 55 dB.
  • Messkopf#3 AD8361 HF-Messung bis 2,5 GHz. Linearer Messkopf mit geringer Dynamik (-10dBm bis > 0dBm) aber sehr hohe Auflösung im 0 dBm-Bereich.
  • Messkopf#4..9 noch freie Speicherplätze für andere Messköpfe.
(Für größere Darstellung auf das Bild klicken.)

    Bilder von links nach rechts

  • [1] Das Messkabel mit dem geöffneten Messkopf. Es steckt gerade die Messplatine mit dem AD8362. Die Messplatine wird von unten mit einer M3 Schraube befestigt. Mit den 4 Messplatinen kann ich von 10Hz bis 2,7GHz alle Pegel messen.
  • [2] Ansicht der Verwendung des Messkopfes mit AD8362. Angezeigt wird der HF-Pegel aus meinem DoppelVFO 10,000000MHz und 0dBm. Das ist ein Einzelton. Die RMS- und PEP-Anzeige zeigt den gleichen Pegel an.
  • [3] Ganz anders sieht es bei einem Zweitonpegel aus. Rein theoretisch müsste der Pegelunterschied 6dB sein. In der Praxis ist der Pegelunterschied etwas kleiner, immerhin noch 5,39dB Unterschied. Das ist noch ein guter Wert. Die HW funktioniert.
  • [4] Auch die Messung größerer Leistungen ist mit einem externen Dämpfungsglied möglich. Bei dieser Messung ist die Dummyload mit Messausgang -40dB und ein zusätzliches Dämpfungsglied von 10dB angeschlossen. Die SW rechnet die eingestellte externe Dämpfung mit ein. Siehe Zeile 4 externes Dämpfungsglied von 50dB.
  • [5] Das neue mW-Meter mit Messkabel und Messkopf AD8361 für sehr hohe Auflösung im Bereich 0,0 dBm. Unten rechts der USB-Anschluss zum PC. Ist die PC-Software aktiv erscheint das USB-Symbol in Zeile 4 des Displays. Die 0 links daneben in Zeile 4 zeigt an das der Pegel auf 0,000dBm nachkalibriert wurde. Das ist sehr hilfreich für sehr genaue Pegelvergleiche. Das Messkabel mit dem Messkopf ist unten Mitte-Links angesteckt. Das Kabel ist jetzt nur noch 3-Adrig mit Schirm.


Neuer Steckverbinder für das Messkabel am Messgerät

Es hat sich heraus gestellt, dass der 4-polige Klinkenstecker/Buchse eine etwas wackelige Angelegenheit ist. Das hat mir nicht gefallen. Ich habe neue 4-polige Steckverbinder gesucht und bei Reichelt gefunden. Damit ist die Steckverbindung vom Messgerät zum Messkopf viel besser geworden.

Diesen Stecker und Buchse habe ich bei Reichelt gefunden. Die Bestellnummer habe ich mit ins Bild geschrieben.


(Für größere Darstellung auf das Bild klicken.)

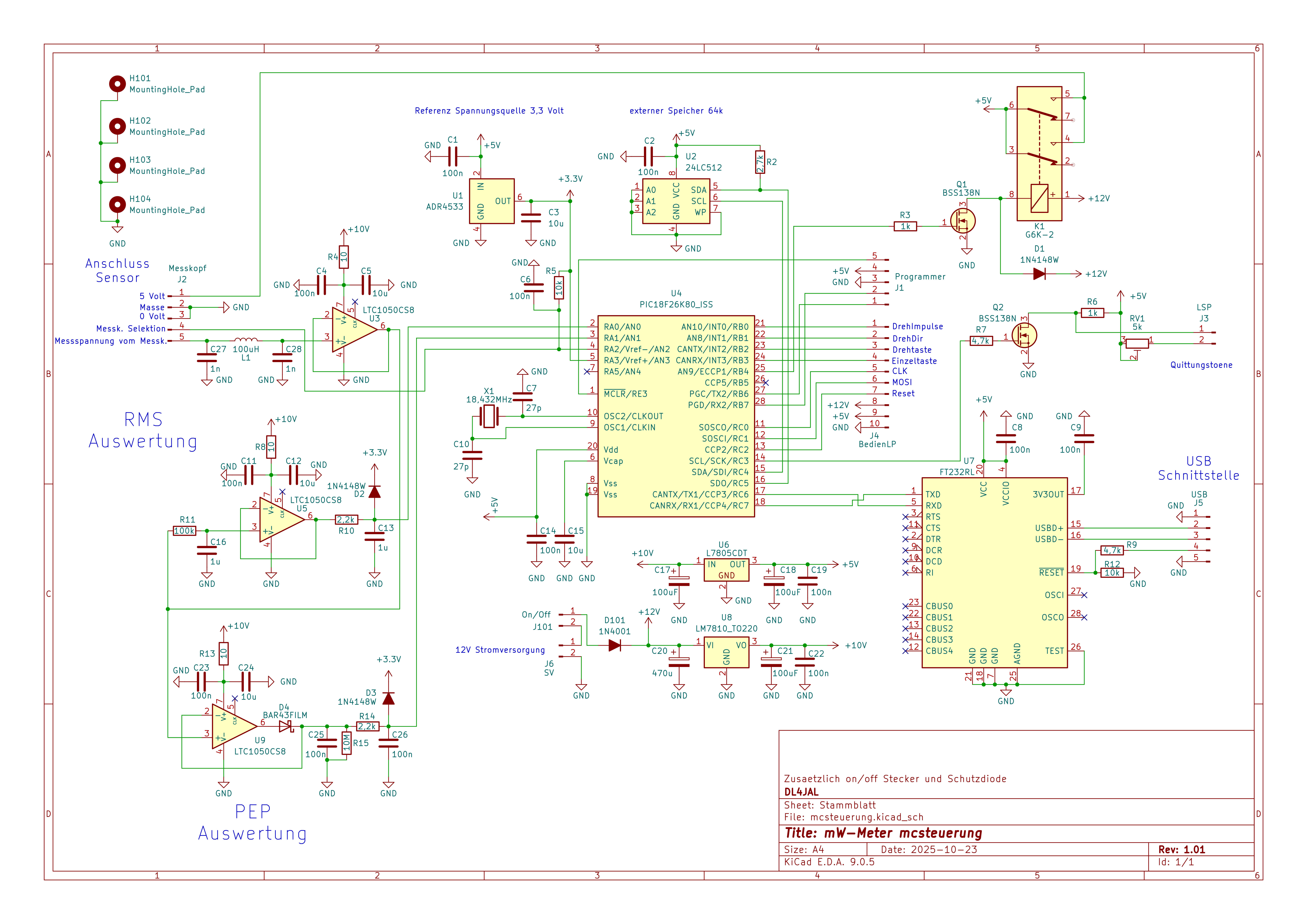
Die Platinen in 3D-Darstellung von Kicad und Schaltbilder der MC-Steuerung und Bedienung

Eine Platine in 3D-Darstellung von Kicad und die Schaltbilder der Messköpfe AD8307 HF, AD8307 NF, AD8362 und AD8361

Die freie Kupferfläche auf der Unterseite ist für die Befestigung der MK-Platine im Messkopf mit nur einer M3-Schraube.


Ergänzte Stücklisten als PDF

mW_Meter_4_00_stuecklisten.zip Ergänzte Stücklisten, ich hoffe es fehlt nichts (hoch geladen 16.11.2025)


Die Platinen als ZIP von Kicad erzeugt.

mcsteuerung.zip Messauswertung PEP, RMS und Mikrocontroler PIC18F26K80 (hoch geladen 29.10.2025)
bedienung.zip Bedienelemente und Display OLED (hoch geladen 29.10.2025)
mk_ad8307_1.zip Messkopfplatine 100kHz bis 500MHz (hoch geladen 29.10.2025)
mk_ad8307_nf.zip Messkopfplatine 30Hz bis 200kHz (hoch geladen 29.10.2025)
mk_ad8362.zip Messkopfplatine 2MHz bis 2,7GHz (hoch geladen 29.10.2025)
mk_ad8361.zip Messkopfplatine linear mit sehr hoher Genauigkeit im Bereich 0,00dBm (hoch geladen 29.10.2025)

Alle Platinen sind mit Kicad entworfen. In der ZIP-Dateie befinden sich alle Dateien die zum Aufbau nötig sind.

    Der Inhalt einer ZIP:

  • bom Im Verzeichnis ist die PDF mit dem Schaltplan. Die Datei ibom.html kann mit jedem Internetbrowser geöffnet werden. Ganz oben sind Buttons mit den man die Ansichten ändern kann. Mit dem ganz linken Button kan man separate Listen und Bilder für die Bestückung erzeugen.
  • production Im Verzeichnis befindet sich die GERBER-Datei für die Produktion der Leiterplatte bei der Firma JLCPCB.
  • plots Im Verzeichnis befindet noch eine Bestückungsansicht.
  • sonstige Dateien Wer Kicad hat kann natürlich auch direkt die Leiterplatte und das Schaltbild in Kicad anschauen.


PC-Software für das RF Power-Meter 4.0

In die Firmware 4.xx des Messgerätes hat sich einiges geändert. Dadurch wurde es notwendig die PC-Software auch neu zu gestalten.

(Für größere Darstellung auf das Bild klicken.)

    Bildschirm-Aufnamen des PC-Programms, von links nach rechts

  • [1] Anzeige der dBm-Werte vom mW-Meter.
  • [2] Korrektur des 0,00dBm-Punktes mit einer genauen Pegelquelle. Es wird automatisch eine Offset in dB berechnet. Links der Mittelwert und rechts der Spitzenwert der Hüllkurve. Bei Einton sind beide Pegel gleich gross.
  • [3] Die Daten des momentan gestecken Messkopfes werden vom mW-Meter übermittelt und können anschließend als Datei gespeichert werden.
  • [4] Jeder Messkopf hat Frequenzstützpunkte für die Korrektur des Frequenzganges der Messkopf-Platine. Beim AD8307 fällt die Messgenauigkeit bei hohen Frequenzen stark ab. Über diese Tabelle kann eine Anpassung erfolgen. Die Datei kann auch wieder zum Messgerät rückübertragen werden.
  • [5] Die Anzeige der Messung mit größerer Leistung ist im PC-Programm auch möglich.
In der PC-Software sind noch mehr Funktionen. Die Beschreibung dazu in der PDF mwattmeter4_sw_4_xx_beschr.pdf.

(Für größere Darstellung auf das Bild klicken.)

    Bildschirm-Aufnamen des PC-Programms Firmware-Update, von links nach rechts

  • [1] Das mW-Meter wurde gefunden an der USB-Schnittstelle.
  • [2] Ein HEX-Datei wurde geladen. Sie ist aber nicht geeignet für diese Hardware.
  • [3] Die richtige Datei wurde geladen.
  • [4] Mit Write Flash wird die neue FW in den PIC geladen. Dieser Vorgang darf nicht unterbrochen werden.
  • [5] Die HW macht einen Warmstart. Alles ist erledigt. Programm beenden.

Die Dateien für das RF Power-Meter Version 4.0

  • Ich habe die Firmware noch einmal überarbeitet. Ich hatte Problem mit dem 12-Bit A/D-Wandler. Ab und zu lieferte er falsche Werte. Nach längerer Betriebszeit führte dazu, dass ganz kurz eine falsche Messkopfplatine erkannt wurde. Es sah immer so aus als würde die FW einen Warmstart machen. Jetzt habe ich das in Griff bekommen. Ich habe die Taktfrequenz wieder auf 18,432 MHz eingestellt und in der Routine des A/D-Wandler zusätzliche Zeiten eingefügt. Deshalb hier die neue Firmware Version 1.05.